产品类别
product
售后服务
Service
联系我们
Contact Us

地址:成都市金牛区量力健康城8栋4-8
手机:13963069462
座机:028-60176287
李国凤 业务经理
Email:1599567412@qq.com

新闻中心
News
公司简介
 四川基安医疗器械有限公司创建于2008年,位于风景秀丽的海滨开放城市日照,这里交通便利,通讯发达。现有职工396名,工程师8名,高级技术人员65名。 公司是一家专门从事医护通讯设备开发、研制生产、安装于一体的综合性实业公司。拥有先进的生产设备开发、精密的检测仪器及一支高素质的研发队伍,为产品不断的技术更新奠定了坚实的基础。 公司主要从事大、中、小型医院医用中心供氧系统、医用负压吸引系统、智能传呼机对讲系统、医用输液天轨、医用走廊扶手、手术室洁净净化室系统设备的研发、生产、安装工程。公司已通过IS09001:2000质量管理体系认证,先后获得中华人民共和国信[详细阅读...]
产品展示
无影灯
吊塔、吊桥
防辐射电动铅门
铅板
硫酸钡砂
点解钢板
净化板
洁净窗
电动门
铝合金本色拉丝边框嵌入式净化灯
对开多页调节阀
消声器
洁净层留罩
空气自净器
耐高温高效空气过滤器
有隔板高效空气过滤器
无隔板高效空气过滤器
书写台
观片灯
传递窗
医用洗手池
控制面板
鞋柜、衣柜
麻醉柜
器械柜
药品柜
氧气麻醉机接头、呼吸机接头
O型天轨、中心供氧、负压吸引
走廊扶手
医用护墙角
医用护墙角
U型天轨
洁净手术室
中心供氧
抢救室医疗柱
中心供氧
供氧、设备带
U型天轨、中心供氧
氧气报警箱、二级稳压箱
重症监护室、ICU吊桥
净化手术室
U型天轨
氧气流量计
无线分机2
无线分机1
无线主机2
无线主机1
设备带
案例1
案例2
案例3
案例4
医用设备带
医用设备带3
医用设备带2
医用设备带1
扶手1
扶手2
扶手3
扶手4
走廊安全扶手
走廊安全扶手
走廊安全扶手
隔帘
隔帘
隔帘
手动汇流排
JSY17型豪华双面显示屏
HX858豪华喷塑分机
JSY1788-A1豪华双芯语音型(拉丝铝合金)
医用吊塔案例
医用吊塔案例1
多用吊塔案例
多用吊塔
单臂摇吊塔
单臂多用吊塔
单臂吊塔案例
单臂吊塔
医用吊塔
医用吊塔
单臂吊塔
医用吊塔
直线天轨
输液架
输液架
输液架
输液吊轨
U型天轨
0型天轨
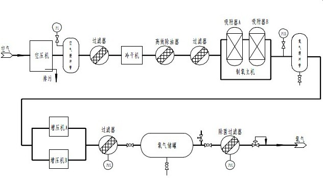
工艺流程图
制氧机
麻醉机接头
医用中心供气结构图
房间维修阀
氧气湿化器②
2气压力检测箱
全自动汇流排控制柜
制氧机案例
制氧机
二级减压箱
水循环吸引站
吸引站车间
美式终端
负压吸引器
吸引系统-吸引器
手术室案例
洁净手术室
洁净手术室
洁净室
不锈钢药品柜
HX868豪华拉丝铝合金分机
型号XK-140
型号XK-140
型号XK-143
型号XK-159
140型扶手
多臂双塔旋转升降塔
ICU单臂吊塔
JY-SYY-113-A输液椅
JY-SYJ-100盐水瓶架
STY系列智能护理通讯机898型
STY智能传呼对讲系统928型
STY智能传呼对讲系统868型
STY智能传呼对讲系统918H型
STY智能传呼对讲系统898H型
FM09-DP平装式分机
FM06普通明装型分机
FN05豪华暗装型分机
卫生间防水分机
FM09P型分机
广播机
呼叫器手柄
医用走廊双面显示屏X245型
值班室显示屏
洁净手术室
集中供氧设备
集中吸引设备
供氧设备配件
吸氧头
气体报警箱
吸引终端
吸氧头
吸氧头
jsy2011A1语音系列
jsy2011A2语音型
jsy2009A3数字豪华语音型
供氧系统
jsy2009A2豪华语音型
氧气终端
手动汇流排
中心吸引站
呼叫系列示意图